معرفی کفشک و زبانه ۱۰۴-۱۰۵
افرادی که با تولید کامیون های یخچال دار سروکار دارند، به خوبی با قطعات و تجهیزات جانبی مرتبط با درب این نوع وسایل نقلیه آشنا هستند. مسلما کفشک و زبانه ۱۰۴-۱۰۵ از جمله محصولاتی هستند که وجود آنها برای حفظ امنیت و محکم شدن درب اتاق سردخانه کامیون های یخچال دار اهمیت ویژه ای دارد. این محصولات در کارخانه اساکو با بهترین کیفیت ممکن تولید می شوند.
مهم ترین مشخصات کفشک و زبانه ۱۰۴-۱۰۵
شاید بتوان به جرات گفت که مهم ترین مشخصه کفشک و زبانه ۱۰۴-۱۰۵ تولیدی کارخانه اساکو، کیفیت بی نظیر آنهاست. این قطعات در دو جنس اصلی استیل و چدن طراحی و تولید می شوند. محصولات چدن کمی ارزان تر هستند، ولی این امر اصلا به معنای بی کیفیت بودن این محصولات نیست. این قطعات در هنگام تولید به خوبی آبدیده می شوند تا در برابر زنگ زدگی و خوردگی مقاومت کافی داشته باشند. استیل به کار برده برای محصولات استیل نیز از نوع استیل ۳۰۴ است که یکی از مرغوب ترین و بهترین استیل های موجود در بازار می باشد.
طراحی دقیق و استاندارد
یکی دیگر از مهم ترین ویژگی های کفشک و زبانه ۱۰۴–۱۰۵ طراحی بسیار دقیق و هوشمندانه آنهاست. این محصولات در ابعاد استانداردی تولید می شوند که معیارهای بین المللی آنها را تعیین کرده اند. ضمن اینکه در هنگام طراحی و تولید آنها نهایت دقت به کار می رود تا هیچ عیب و خدشه ای به این قطعات وارد نشود.
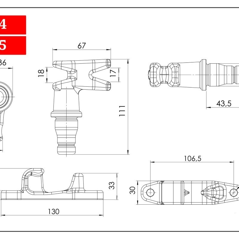
برای مشاهده ابعاد دقیق این محصولات اساکو می توانید به تصاویر ارائه شده در سایت مراجعه کنید. در این تصاویر همه اطلاعات لازم در مورد ابعاد این قطعات ارائه شده اند. همچنین در صورت تمایل برای خرید کفشک و زبانه اساکو می توانید از طریق شماره های تلفن موجود در سایت با ما تماس بگیرید.

