



شرایط ارسال
ارسال توسط تامین کننده
زمان آماده سازی محصول در مذاکرات تعیین می شود
توضیحات بست بزرگ کد 140
معرفی بست بزرگ
یکی از محصولات ویژه ای که شرکت اساکو به عنوان قسمتی از تجهیزات کامیون های یخچال دار طراحی و تولید می کند، بست بزرگ است. این نوع بست که با عنوان لوله نگهدار نیز شناخته می شود، یکی از ضروری ترین تجهیزاتی است که برای محکم بسته نگه داشتن درب اتاق سردخانه کامیون ها طراحی شده است.
مشخصه های اصلی بست بزرگ
بست بزرگ اساکو در دو جنس استیل و گالوانیزه طراحی و تولید می شود. استیل به کار رفته برای تولید این محصول از نوع استیل ۳۰۴ با ضخامت ۲ میلی متر می باشد. بست هایی که با استفاده از گالوانیزه تولید می شوند نیز جنس بسیار مرغوبی داشته و به خاطر آبکاری که در انتهای پروسه تولید آنها انجام می گیرد، به راحتی دچار زنگ زدگی و خوردگی نمی شوند.
قسمت کف لوله نگهدار از جنس پلاستیک بسیار محکم و مرغوب می باشد. کیفیت این پلاستیک بسیار بالاست، به نحوی که به آسانی دچار شکستگی نمی شود و در صورت وارد شدن ضربه و یا هر نوع آسیب فیزیکی خراب نمی شود.
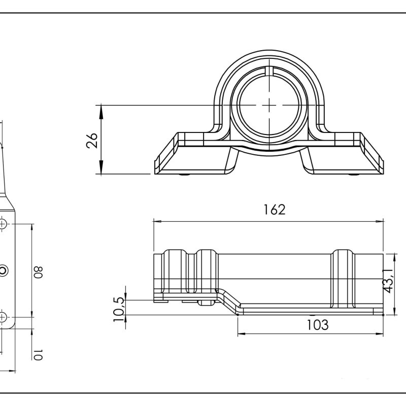
دقت داشته باشید که ابعاد این نوع بست بزرگ ۴۳.۱ در ۸۵ در ۱۶۲ سانتی متر است. این ابعاد کاملا استاندارد بوده و بر اساس معیارهای بسیار دقیق بین المللی و نیاز مدل های مختلف کامیون یخچال دار طراحی شده اند.
سایر نکات
بسیار مهم است که در هنگام انتخاب تجهیزات مختلف برای حفاظت و ایمنی درب اتاق سردخانه کامیون های یخچال دار، به مرغوبیت مواد اولیه و کیفیت محصول نهایی توجه داشته باشید. اساکو همه محصولات خود، از جمله بست بزرگ را با استفاده از بهترین مواد اولیه موجود در بازار تهیه می کند.
در صورت تمایل به خرید لوله نگهدار و اطلاع از قیمت و شرایط خرید، می توانید از طریق راه های تماس ارائه شده در سایت با ما تماس بگیرید.
-
برند کمپرسوراساکو
-
جنس بدنهاستیل / گالوانیزه
-
قابل نصب بر رویکامیون , کامیونت